管式換熱器屬于壓力容器,壓力容器制造過程中的關鍵環節就是焊接,焊接質量對設備質量起著決定性的作用。焊接質量管理各個環節是相互制約且相互聯系的,任何一個環節的疏漏都會造成設備的質量缺陷,實際生產中必須重視換熱器的焊接質量控制。在設備應用中,焊接接頭承受著各種載荷、溫度的影響,同時還受到工作介質的強烈腐蝕,所以焊接接頭除應具有與殼體相同的靜載荷強度外,還應具有較強的塑性、韌性和耐腐蝕性。

本章從焊接前檢查、焊接中控制、焊接后檢驗三個階段和人員資格能力、機器設備完好程度、材料、焊接工藝標準規范及焊接環境這五個焊接管理要素進行了分析,總結出了焊接質量的管理控制方法。
1、鈦合金管式換熱器制造質量控制要點
1.1 氣體保護
由于管式換熱器的主材鈦合金受熱極易受空氣氧化,所以在焊接過程或材料被加熱至350℃以上時鈦材必須處在高純氬氣氛圍的保護下。以往不銹鋼壓力容器制造過程中,雖然也進行氣體保護,但是鈦合金焊接過程中的保護措施要求更為嚴格,焊接時必須采用專用的氣體保護工裝進行全封閉的保護(圖3-1)。通常采用的保護措施主要是在熱加工表面涂高溫防氧化涂料,并設置專用的氣體保護工裝保證焊縫及熱影響區雙面均有很好的氬氣保護,此外,對保護氣體氬氣的純度要求也很高,一般氬氣純度應≮99.99%。

圖3-1 氣體保護工裝
1.2 防污染要求
鈦材的焊接應在潔凈無塵車間進行,自材料采購運輸進廠開始到設備竣工驗收完成的整個過程(包括制造過程中的運輸、儲存、切割、加工、焊接、檢驗和試驗、吊裝、搬運、標記等),均應采取嚴格的保護措施,防止材料或工件受損傷和污染。
在鈦部件周轉和運輸過程中,必須配備必要的防鐵離子污染措施,如用尼龍帶、專用牛皮紙、銅制工具等包裹或墊固。在施焊過程中,還要對空氣中鐵離子含量隨時進行監測(菲繞啉試驗),確保空氣中的鐵離子含量在合理的范圍內,以免鈦材表面受到污染。
焊接時除應嚴格按照已經批準的焊接工藝規程施焊外,在每次施焊前都必須按規定對母材表面采用丙酮洗液用干凈擦布擦拭清洗,并在規定的時間內焊接完成,以防鈦材被重新污染。
1.3 焊接裂紋
鈦的熔點很高(1668 ℃ ),熱容量較大,且導熱性差,所以在焊接時易形成較大的熔池,較高的熔池溫度使焊縫及熱影響區金屬處于高溫環境的時間比較長,導致晶粒長大傾向較大,降低了焊接接頭的塑性和斷裂韌性,從而易產生焊接裂紋(圖3-2)。

圖3-2 焊接裂紋
純鈦的焊縫及熱影響區粗大的晶粒難以用熱處理方法消除,并且焊縫金屬呈鑄鈦狀,使得鈦設備焊后強度下降較大,因此焊接時務必嚴格控制焊接熱輸入,采用較小的焊接電流和較快的焊接速度施焊,在熔融焊時宜采用能量集中的熱源,減小熱影響區,從而避免焊接裂紋的產生 [30] 。
1.4 焊接氣孔
在高溫焊接時會有少量氫元素溶入熔池,焊接結束冷卻時過飽和的氫來不及從熔池中逸出,在焊縫中積聚就會形成氣孔。隨著液體溫度的升高,氫在鈦中的溶解度會降低,且在凝固點溫度時鈦中氫的溶解度會急劇下降(如圖3-3)。焊接時熔池中部較熔池邊緣的溫度高,熔池中部的氫會向熔合線積聚,因此在熔池邊緣處較易形成過飽和氫,內部會生成氫氣孔。
換熱器管板上焊縫多,一般換熱器有幾百至幾千個焊口,并且焊接位置較為苛刻,若焊接工藝掌握不好,焊縫中極易產生氣孔等缺陷 [16, 30] 。焊接接頭中的氣孔不僅會造成焊縫應力集中,而且由于氣孔的存在,會使周圍金屬的塑性降低,從而使整個焊接接頭力學性能下降,更嚴重甚至直接導致焊接接頭的破壞斷裂。
焊接氣孔有時難以從檢測中發現,而且焊后檢測只能作為一種事后的控制,因此要提高換熱器管板的焊接質量,必須通過改善和提高焊接和制造工藝來達到。
為了避免氣孔的產生,應至少采取以下幾個措施:
1)焊前應清除母材和焊絲表面的油污及氧化物膜等有機物質,確保母材中氫、氧、氮等雜質元素的含量不超標,施焊前必須按規定對母材和焊絲表面采用丙酮洗液用干凈擦布擦拭清洗,進行真空去氫處理來改善焊絲的含氫量和表面清潔度。
2)焊接時采用機械方法加工坡口端面,并保證平整光滑,除應嚴格按照已經批準的焊接工藝規程施焊外,還應在焊件清理后及時進行焊接,焊接時間間隔一般不超過2h,否則要妥善保存已處理過的母材和焊絲,并在施焊時重新進行清洗。
3)焊接過程中按照焊接工藝要求,正確選擇焊接工藝參數,延長焊槍在熔池停留時間,以便于氣泡的逸出,減少氣孔的產生 [31] ,而且還要控制好氬氣的流量,防止紊流現象。
4)采用真空電子束焊或等離子弧焊等高積聚熱量的焊接方法,避免較大面積的使母材受熱氧化,焊接時采用低露點氬氣進行保護,保證其濃度≮99.99%。

圖3-3 氫在高溫鈦中的溶解度
1.5 換熱管加工
換熱管是管式換熱器的關鍵部位。資料表明,大多數換熱器泄漏往往是由于換熱管部位產生泄漏引起的。制造換熱器的管材按要求需進行擴口試驗、壓扁試驗、無損檢測、腐蝕試驗、低倍檢查、逐根水壓試驗等來檢查管材是否有變形或泄漏,以此來確保換熱管質量合格。
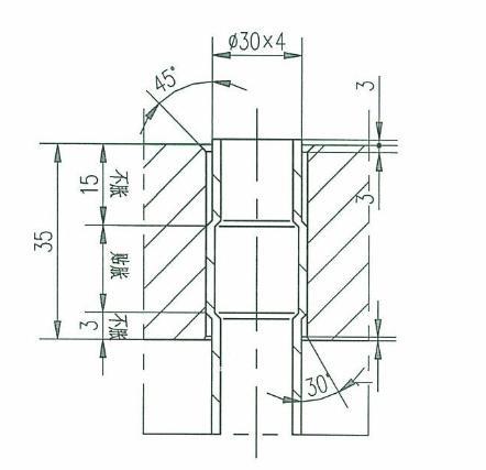
在進行工藝設計時要留出換熱管厚度的腐蝕裕量,一般鈦容器的腐蝕余量定為1mm,當應用中換熱器工作介質為高濃度強酸等強腐蝕性液體時,為保守起見,還應在原來的基礎上進一步加大管材壁厚 [48] ,本次課題設計時換熱管規格選取的是φ30×4的無縫鈦管,腐蝕裕量定為2mm,由于管壁較厚,因此需要較大的脹接壓力 [9] 。我們經過反復試驗,制定了脹接工藝評定報告,并經過了業主方的前期審核。換熱管與管板之間的連接是通過先液壓脹再焊接的方法來固定的 [23] (見圖3-4)。通過制作工藝試板,不斷的試脹,檢驗脹接前后的管內徑、測量脹后換熱管的拉脫力,計算出脹接率,進行拉伸等力學性能試驗,得出脹接壓力為400Mpa,如此高的脹接壓力,必然對脹管設備、現場安全防護等要求都很高 [29] 。

圖3-4 換熱管與管板接頭形式
由圖3-2看出,換熱管與管板連接處只有中間17mm需要貼脹 [23] ,兩端不脹,液壓貼脹后再對換熱管與管板進行焊接 [50] 。
2 、制造準備階段的質量控制
2.1 編制質量計劃
GB/T19000-2008中對“質量計劃”的定義是:“對特定的項目、產品或合同規定由誰及何時應使用哪些程序和相關資源的文件”。質量計劃提供了一種途徑將某一產品、項目或合同的特定要求與現行的通用質量體系程序聯系起來。
在設備生產前首應編制管式換熱器及各個零部件的制造加工工藝文件,將生產過程分解細化,形成以各個主要零部件的制造工藝過程和組裝、試驗、包裝和運輸等為主要內容的質量計劃,并根據工序的重要性確定質量控制點:停工待檢點(H點)、現場見證點(W點)、文件見證點(R點)。
一、停工待檢點(H 點)
產品質量有重大影響的關鍵檢驗項目應設為 H 點,該項目未經檢驗合格,不得進入下一道工序。對于 H 點,監理人員要到現場進行檢查見證,保證制造過程和結果符合設計文件要求。
二、現場見證點(W 點)
對產品質量有影響的重點檢驗項目和隱蔽驗收項目可設為 W 點。對于 W 點,設備監理人員一般應到現場監造見證。在不能到達現場時,則應對制造廠提供的見證資料審查確認。
三、資料審查點(R 點)
影響產品質量的主要檢驗項目可設為 R 點,對于 R 點,設備監理人員對制造廠提供的相關資料進行審查和確認。如:檢查各零件原材料質量證明文件審查;檢查加工制造工藝方案及各工序檢驗資料審查;外包零件入廠驗收資料審查;各部件包裝方案及包裝資料審查等。
試驗中將原材料外購件檢驗、換熱管檢驗、換熱管脹接、換熱管與管板組焊、殼程水壓試驗、管程水壓試驗、殼程氦檢漏試驗、管程氦檢漏試驗設為停工待檢點(H 點),并在產品制造過程中重點控制 [52] 。
2.2 編制質量保證大綱及有關的質量管理程序
為保證產品的質量,制造廠需編制質量保證大綱(以下簡稱質保大綱)。質保大綱的內容包括:應達到的質量目標、各階段責任和權限的分配、應采用的特定程序、作業指導書、達到質量目標必須采取的其他措施等。
質保大綱應根據具體產品項目的特定要求,做到針對性強,規格嚴謹、可操作性強,質量保證大綱及有關的質量管理程序一旦制定必須確保執行,各個職能部門都應嚴格按照質保大綱的規定正常運轉 [17] 。
2.3 編制焊接工藝評定報告
焊接前,應由焊接工程師根據母材和焊材的特性及焊接的工況條件進行焊接工藝評定試驗,編制焊接工藝評定報告。焊接工藝評定試驗應在質檢部門和焊接工程師的監督下進行,只有焊接工藝評定合格后,才能依據焊接評定報告制定焊接作業指導書,在車間生產時按照作業指導書的要求對工件施焊。對焊接工藝評定的監督檢查,具體可從以下幾個方面進行控制:
1)檢查母材是否符合技術條件的要求,并要求材料廠家提供產品質量保證書,進廠時嚴格按照質保大綱的要求對原材料進行驗收,參照標準和訂貨技術協議進行審核并與實物進行核對,此外,還需對外觀質量進行檢驗和測量,打上材料標記、試樣號和檢驗員確認鋼印,并做好有關檢驗記錄,當技術規格書有復驗要求時需還需進行復驗;
2)檢查焊接材料是否符合技術條件的要求,并要求焊材生產廠家提供焊條或焊絲的產品質量保證書,進廠時嚴格按要求對原材料進行驗收,參照標準和訂貨技術協議進行審核并與實物進行核對,此外,還需對外觀質量進行檢驗和測量,打上材料標記、試樣號和檢驗員確認鋼印,并做好有關檢驗記錄,當技術規格書有復驗要求時需還需進行復驗;
3)檢查母材、焊材的接頭形式、坡口坡度及開口形式、焊接位置、焊接試件形式及尺寸、焊接參數設置、焊后無損檢測、焊后破壞性試驗等其它技術因素對規范的符合性。
2.4 檢測儀器、儀表以及加工設備
換熱器制造過程中通常會用到的儀器、儀表包括:電流表、電壓表、千分尺、流量計、壓力表等(圖 3-5)。對設備加工制造過程所用的檢測儀器、儀表等進行檢查和監督是事前監督的重要內容,通常檢查的內容主要包括:儀器、儀表是否經過標定且在有效期內;儀器、儀表配備的數量是否滿足加工的需要;用于檢驗的設備性能是否能滿足試驗的要求等。
用于容器加工的設備有車床、銑床、鏜床以及焊接設備,對加工設備的檢查主要包括檢查加工設備的類型、特點和規格尺寸,特別檢查其技術參數和精度是否滿足設備制造質量的要求。

圖 3-5 焊接用電流表
無相關信息
tengyuti.com
騰宇微信二維碼